DSV卧式单级单吸离心泵
打印日期:2026/04/04
| 产品 |
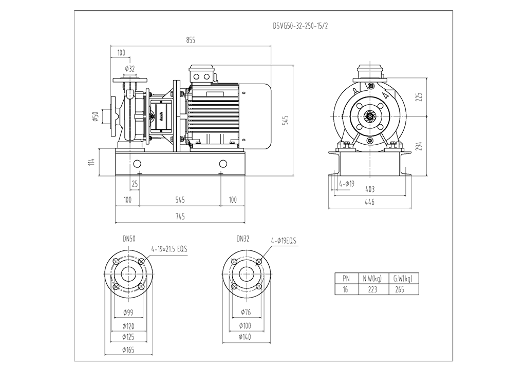
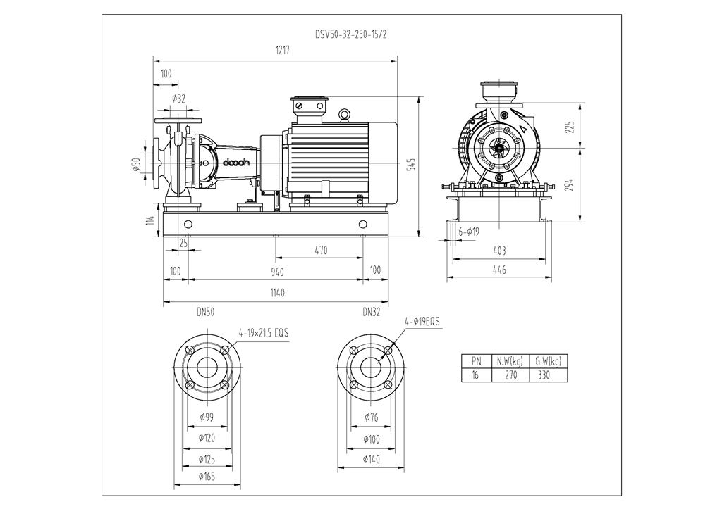
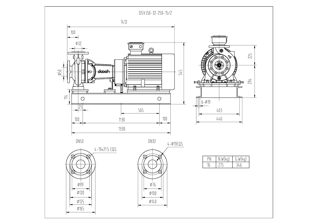
| 泵型号 |
DSV50-32-250-15/2 |
| 泵类型 |
|
| 水泵性能 |
| 额定流量 |
22.5m3/h |
| 额定扬程 |
99.3m |
| 额定转速 |
2900r/min |
| 最高效率 |
% |
| 轴封 |
| 类型 |
mechanical seal |
| 尺寸 |
m |
| 材质 |
|
| 液体 |
| 输送的液体 |
Water |
| 液体温度范围 |
-15-110℃
|
| 液体温度 |
20℃ |
| 密度 |
998.2kg/m3 |
| 粘度 |
mm2/s |
| 固体颗粒含量 |
% |
| 固体颗粒大小 |
mm |
| 材料 |
| 泵体 |
HT250 |
| 泵盖 |
HT250 |
| 叶轮 |
304 |
| 轴 |
20Cr13 |
| 底座 |
|
| 其它 |
| 净重 |
270kg |
| 毛重 |
331kg |
| 运输体积 |
m3 |
| 泵头 |
kg |
| 底座 |
kg |
| 安装 |
| 最大环境温度 |
60℃ |
| 最高运行压力 |
16bar |
| 法兰标准 |
GB |
| 泵进口 |
DN50 |
| 泵出口 |
DN32 |
| 压力等级 |
PN16 |
| 联轴器类型 |
|
| 联轴器防护罩 |
|
| 叶轮类型 |
|
| 旋转方向 |
|
| 驱动端轴承 |
|
| 传动端轴承 |
|
| 电机 |
| 厂家 |
|
| 电机型号 |
160M2-2 |
| 电机散热类型 |
|
| 输出功率 |
|
| 额定功率 |
15KW |
| 电机极数 |
2 |
| 额定转速 |
2900r/min |
| 频率 |
50HZ |
| 效率 |
IE4 93.3% ;IE3 91.9% |
| 绝缘等级 |
F |
| 额定电压 |
φ3x380V |
| 额定电流 |
28.4A |
| 电机能效等级 |
IE4、IE3 |
| 防护等级 |
IP55 |
| 传动轴承 |
|
| 驱动轴承 |
|
| 配件 |
| 配套联轴器 |
|
| 底座 |
|
| 相对法兰 |
|
| 压力表 |
|
| 漏斗 |
|
| 过滤器 |
|