| 产品 | |
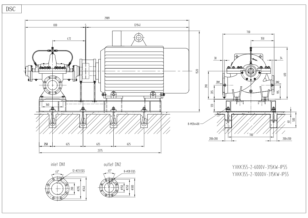
| 泵型号 | DES200-170-315/2 |
| 泵类型 | |
| 水泵性能 | |
| 额定流量 | 450m3/h |
| 额定扬程 | 170m |
| 额定转速 | 2980r/min |
| 最高效率 | % |
| 轴封 | |
| 类型 | |
| 尺寸 | m |
| 材质 | CAR/SIC/VITON |
| 液体 | |
| 输送的液体 | Water |
| 液体温度范围 | -15-120℃ |
| 液体温度 | 20℃ |
| 密度 | 998.2kg/m3 |
| 粘度 | mm2/s |
| 固体颗粒含量 | % |
| 固体颗粒大小 | mm |
| 材料 | |
| 泵体 | HT250/304 |
| 泵盖 | HT250/304 |
| 叶轮 | HT250/304 |
| 轴 | 45 |
| 底座 | Q235-A |
| 其它 | |
| 净重 | 3163kg |
| 毛重 | kg |
| 运输体积 | m3 |
| 泵头 | kg |
| 底座 | kg |
| 安装 | |
| 最大环境温度 | 60℃ |
| 最高运行压力 | bar |
| 法兰标准 | GB |
| 泵进口 | DN200 |
| 泵出口 | DN150 |
| 压力等级 | |
| 联轴器类型 | |
| 联轴器防护罩 | |
| 叶轮类型 | |
| 旋转方向 | |
| 驱动端轴承 | |
| 传动端轴承 | |
| 电机 | |
| 厂家 | |
| 电机型号 | 355(6KV) |
| 电机散热类型 | |
| 输出功率 | |
| 额定功率 | 315KW |
| 电机极数 | 2 |
| 额定转速 | 2980r/min |
| 频率 | 50HZ |
| 效率 | |
| 绝缘等级 | F |
| 额定电压 | φ3x6KV |
| 额定电流 | |
| 电机能效等级 | IE3、IE4 |
| 防护等级 | IP55 |
| 传动轴承 | |
| 驱动轴承 | |
| 配件 | |
| 配套联轴器 | |
| 底座 | |
| 相对法兰 | |
| 压力表 | |
| 漏斗 | |
| 过滤器 | |
| 安装参数 | |
| 电机功率 | 315 kW |
| 净重 | 3163 kg |